Opret konto
Om os
Levering
Kontakt
+45 44 84 33 88
Søg
Log ind
Indkøbskurv (0)
Forside
Stå- og flangelejer
Rulningslejer
Smøring
Linear
Transmission
Tætninger, skiver og normdele
Diverse
Log ind
Kurv
Du er her:
Forside
Rulningslejer
Rullelejer
Sfæriske rullelejer
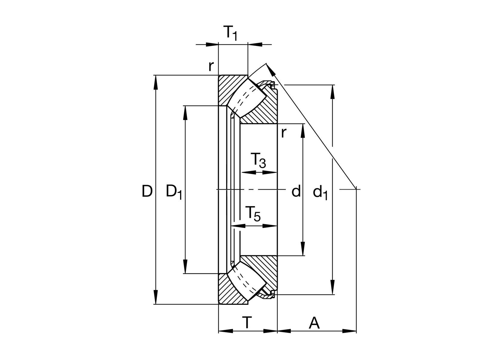
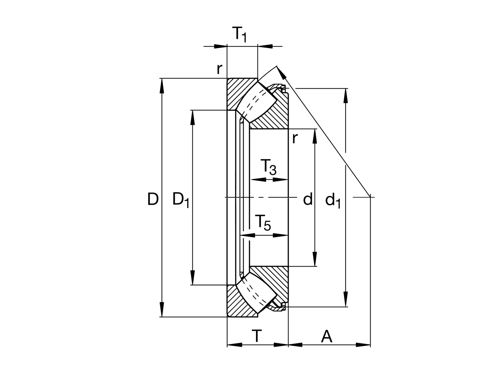
29413E1 FAG 65X140X45
29413E1 FAG 65X140X45
Varenummer:
29413-V
Standard salgspris DKK 19.818,70
DKK 7.927,48
/ stk
DKK 6.341,98 ekskl. moms
Mere information
Specifikationer
Indvendig diameter
65,00
Udvendig diameter
140,00
Bredde
45,00
Supplerende tekst
AXIAL SPHERICAL ROLLER BEARING
Mest sælgende i Sfæriske rullelejer